Carlo Gavazzi EM24 Energy Meter
Supported Devices
| Device Type | Modbus TCP (Ethernet) | RS485 |
|---|---|---|
| Carlo Gavazzi EM24 | ✅ | ✅ |
Note
Note
The availability of ethernet and rs485 depends on the exact subtype of EM24 you use.

Wiring
The SmartgridOne Controller and the device communicate via RS485 or Ethernet.
Ethernet
For correct ethernet wiring: Follow the the guidelines for ethernet wiring.
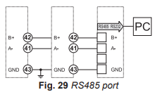
RS485
Info
RS485 Wiring
- For correct RS485 wiring: Follow the guidelines for RS485 wiring.
- If the wiring shown in the table below is incorrect, please let us know.
- There is no general consensus in the industry about the usage of A and B for the RS485 polarity, so it may be counterintuitive and opposite of what you might expect for some devices.
| Device | SmartgridOne Controller model OM1 | SmartgridOne Controller model IG8 | RS485-USB converter | RS485-Ethernet converter |
|---|---|---|---|---|
| Terminal 41 / A- | RS485 A | RS485_POS | RS485 A | TX+ |
| Terminal 42 / B+ | RS485 B | RS485_NEG | RS485 B | TX- |
| Terminal 43 / GND | RS GND | GND | Not available | G |

Configuration
Check that the Carlo Gavazzi meter is set to read both import and export power. An unsuitable mode may lead to:
- Missing readings of feed-in, or
- Feed-in being counted as offtake (on top of the ‘actual offtake’)
You can set this in the ‘MEASurE’ configuration menu on the energy meter. This should be set to ‘b’.
Warning
Warning
This setting may not be present on MID certified models (model numbers ending in PFA and PFB).

Warning
NOTE: RS485 Device Addresses
- You MUST give each device on the RS485 bus a unique address. Check the manual of the device on how to do this.
- Use lower addresses first (1, 2, ...) because the SmartgridOne Controller will find them faster!
- For each device, it is generally recommended to stick with the factory default baud rate, parity, and stop bits. The SmartgridOne Controller will scan on those first.
Set the Modbus address through the power meter's “Address” configuration menu.
